Poudre AlSi50
AlSi50 est une poudre d'alliage aluminium-silicium contenant 50% de silicium et le reste d'aluminium. Il offre une combinaison exceptionnelle de propriétés telles qu'une faible densité, une grande fluidité, une faible dilatation thermique, une résistance spécifique élevée et une résistance à la corrosion.
Faible MOQ
Les quantités minimales de commande sont peu élevées, ce qui permet de répondre à différents besoins.
OEM ET ODM
Fournir des produits et des services de conception personnalisés pour répondre aux besoins uniques des clients.
Stock suffisant
Assurer un traitement rapide des commandes et fournir un service fiable et efficace.
Satisfaction des clients
Fournir des produits de haute qualité en mettant l'accent sur la satisfaction du client.
partager ce produit
Table des matières
AlSi50 est une poudre d'alliage aluminium-silicium contenant 50% de silicium et le reste d'aluminium. Il offre une combinaison exceptionnelle de propriétés telles qu'une faible densité, une grande fluidité, une faible dilatation thermique, une résistance spécifique élevée et une résistance à la corrosion.
Composition de la poudre AlSi50
La composition typique de la poudre d’alliage AlSi50 est :
| Élément | Composition |
|---|---|
| Aluminium (Al) | Équilibre |
| Silicium (Si) | 48-52% |
- L'aluminium forme la matrice offrant ductilité, ténacité et résistance à la corrosion.
- Le silicium augmente la dureté, la fluidité et réduit le coefficient de dilatation thermique.
La teneur élevée en silicium 50% donne une composition eutectique avec le point de fusion le plus bas possible et une excellente coulabilité. Un contrôle strict du rapport Al/Si est essentiel.
Propriétés de la poudre AlSi50
La poudre AlSi50 possède un mélange unique de propriétés la rendant adaptée aux applications hautes performances :
| Propriété | Valeur |
|---|---|
| Densité | 2,55 g/cm3 |
| Point de fusion | 577°C |
| Résistance ultime à la traction | 200-300 MPa |
| Élongation | <1% |
| Dureté | 100-120 HB |
| Conductivité thermique | 50-90 W/mK |
| CTE | 12-15 x 10 -6 /°C |
| Module de Young | 80-90 GPa |
| Résistance à la corrosion | Excellent |
- Faible densité – Jusqu’à 40% inférieur aux alliages et aciers de titane.
- Haute fluidité une fois fondu – Permet une excellente coulabilité et un excellent remplissage du moule.
- Rapport résistance/poids élevé – Résistance spécifique comparable aux alliages de titane.
- Faible coefficient de dilatation thermique – Les dimensions restent stables sur une large plage de températures.
- Excellente résistance à la corrosion – La couche protectrice d’oxyde empêche la corrosion dans la plupart des environnements.
- Bonne conductivité thermique – Deux fois celui des alliages de titane permettant une dissipation thermique efficace.
Ce profil de propriétés unique rend l'AlSi50 adapté aux applications où la faible masse, la précision, la stabilité et la résistance sont essentielles.
Applications de la poudre AlSi50
Les propriétés clés de la poudre AlSi50 la rendent idéale pour :
| Applications | Avantages |
|---|---|
| Composants automobiles | Faible densité et excellente coulabilité. |
| Pièces aérospatiales | Résistance spécifique élevée, dimensions stables. |
| Substrats électroniques | Gestion thermique, CTE assorti à la céramique. |
| Ébauches de miroir | Faible densité, usinabilité, stabilité. |
| Implants médicaux | Biocompatible, non toxique, résistant à la corrosion. |
- Automobile – Utilisé dans les pistons, les blocs moteurs et les pièces de transmission pour réduire le poids et améliorer le rendement énergétique.
- Aérospatiale – Idéal pour les composants aérospatiaux de précision tels que les actionneurs et les roues de turbocompresseur nécessitant un rapport résistance/poids très élevé.
- Électronique – Substrats pour PCB, boîtiers IC pour gérer les charges thermiques tout en s'adaptant au comportement de dilatation de la céramique.
- Optique – Les ébauches de miroirs, les télescopes bénéficient d’une stabilité dimensionnelle et d’une usinabilité élevées.
- Médical – Excellente biocompatibilité et résistance à la corrosion pour les implants comme les appareils orthopédiques.
AlSi50 offre des performances maximales là où la faible densité, la précision et la résistance sont essentielles.

Spécifications de la poudre AlSi50
La poudre AlSi50 est disponible en différentes fractions granulométriques, formes et niveaux de pureté :
| Paramètres | Options |
|---|---|
| Taille des particules | 10 - 150 microns |
| Forme des particules | Irrégulier, sphérique |
| Densité apparente | Jusqu'à 2,7 g/cm3 |
| Débit | Jusqu'à 25 s/50g |
| La pureté | Jusqu'à 99,7% |
| Variantes d'alliage | AlSi40, AlSi30 |
- Les particules plus petites favorisent une densité frittée plus élevée tandis que les grosses particules améliorent la fluidité.
- La morphologie sphérique améliore le flux de poudre par rapport aux particules irrégulières.
- Une densité apparente plus élevée augmente la charge efficace dans la fabrication de composites.
- Des débits plus rapides améliorent la facilité de manipulation et de traitement de la poudre.
- Les qualités de haute pureté minimisent les problèmes de contamination.
- Alliages aluminium-silicium avec silicium 30-40% également disponibles.
Les attributs de la poudre peuvent être personnalisés en fonction des exigences spécifiques de l'application et des méthodes de traitement.
Méthodes de consolidation pour la poudre AlSi50
La poudre AlSi50 peut être transformée en composants pleine densité en utilisant des techniques telles que :
| Méthode | Détails |
|---|---|
| Fabrication additive | Excellente liberté géométrique pour les formes complexes. |
| Moulage par injection de métal | Capacité de forme nette de haute précision. |
| Pressage et frittage | Économique pour les formes simples à volume plus élevé. |
| Casting | Tire parti d’une excellente fluidité et d’un excellent comportement au remplissage du moule. |
| Extrusion | Pour profilés, tiges et tubes. |
- Les techniques de fabrication additive par fusion sur lit de poudre, comme la fusion sélective au laser, sont idéales pour les pièces complexes de faible volume.
- Le moulage par injection de métal offre les tolérances et la finition de surface les plus proches.
- Le pressage suivi d'un frittage en phase liquide est couramment utilisé mais un traitement secondaire est nécessaire.
- Le moulage de précision offre une productivité plus élevée pour des géométries plus simples.
- L'extrusion convient à la production continue de barres, de tiges et de tubes.
La méthode de consolidation influence fortement les propriétés finales, la microstructure et l'économie des coûts.
Traitement thermique des pièces AlSi50
Les traitements thermiques suivants peuvent être utilisés pour modifier les propriétés de l'AlSi50 :
| Traitement thermique | Détails | Objectif |
|---|---|---|
| Traitement thermique de mise en solution | 500-550°C, trempe | Dissoudre les phases solubles |
| Vieillissement artificiel | 150-180°C, 5-10 heures | Durcissement par précipitation |
| Soulagement du stress | 250°C, 2 heures | Supprimer les contraintes résiduelles |
- Le traitement en solution dissout les particules de silicium dans la matrice d'aluminium suivi d'un refroidissement rapide.
- Le vieillissement ultérieur provoque la re-précipitation du silicium sous forme de fins dispersoïdes conférant un renforcement.
- La relaxation des contraintes à basse température aide à réduire les contraintes résiduelles des étapes de mise en forme précédentes.
Un traitement thermique approprié permet de personnaliser la résistance, la dureté et la ductilité selon les exigences de l'application.
Comparaison de la poudre AlSi50 avec des alternatives
Voici comment AlSi50 se compare aux autres alliages eutectiques aluminium-silicium :
| Alliage | AlSi50 | AlSi40 | AlSi30 |
|---|---|---|---|
| Fluidité | Le plus élevé | Haut | Moyen |
| Castabilité | Excellent | Très bon | Bon |
| Dureté | Haut | Moyen | Faible |
| La force | Haut | Moyen | Faible |
| Conductivité thermique | Moyen | Haut | Le plus élevé |
| CTE | Faible | Moyen | Haut |
| Coût | Haut | Moyen | Faible |
- AlSi40 offre la meilleure combinaison globale de fluidité, de résistance et de conductivité thermique.
- AlSi30 offre une conductivité thermique la plus élevée mais une résistance et une fluidité les plus faibles.
- AlSi50 a la fluidité, la dureté et la résistance les plus élevées, mais une conductivité thermique plus faible.
AlSi50 est préféré là où une coulabilité maximale, une stabilité dimensionnelle et une résistance spécifique élevée sont essentielles.
Fabricants de poudre AlSi50
En tant que poudre d'alliage spécialisé, AlSi50 est produit par une gamme de fournisseurs dans le monde :
| Fabricant | Pays |
|---|---|
| Métaux liants | Allemagne |
| Poudre CNPC | Chine |
| Sandvik Osprey | ROYAUME-UNI |
| Poudres métalliques Rio Tinto | Canada |
| Valimet Inc | ÉTATS-UNIS |
| DEMANDER DES PRODUITS CHIMIQUES | ÉTATS-UNIS |
Les fabricants réputés effectuent des contrôles de qualité rigoureux et se conforment aux normes internationales en matière de composition, de distribution granulométrique, de densité apparente et de niveaux d'impureté.
Prix de la poudre AlSi50
En tant que poudre d'alliage spécialisé avancée, l'AlSi50 est proposée à un prix supérieur à celui des nuances d'aluminium ordinaire :
| Qualité de la poudre | Taille des particules | Prix ($/kg) |
|---|---|---|
| Pour appuyer sur | Moins de 150 μm | $15-25 |
| Pour le frittage | 45-150 μm | $18-30 |
| Pour AM | 15-45 μm | $30-50 |
| Haute pureté | Jusqu'à 10 μm | $40-75 |
- Les fractions plus fines pour la fabrication additive et le frittage sont plus coûteuses que la poudre grossière pour le pressage.
- Les petits lots de moins de 100 kg attirent des prix plus élevés.
- Les qualités de haute pureté avec une teneur plus faible en oxygène et en azote sont 50-100% plus chères.
- La réduction de la teneur en silicium à AlSi40 réduit le coût d'environ 20%.
Les remises sur volume, les contrats à plus long terme et les spécifications de particules plus simples contribuent à réduire les coûts.
Considérations en matière de santé et de sécurité pour la poudre AlSi50
Comme toute poudre métallique, la poudre AlSi50 nécessite une manipulation sécuritaire :
| Risques | Précautions | EPI |
|---|---|---|
| Contact peau/yeux | Évitez les contacts directs. Rincer si exposé. | Gants, lunettes |
| Inhalation | Évitez de respirer la poussière. Assurer la ventilation. | Respirateur |
| Ingestion | Évitez le transfert main-bouche. Laver les mains. | – |
| Feu | Utilisez du sable. N'utilisez pas d'eau. | Équipement de protection |
- Portez des gants, des lunettes et un masque lors de la manipulation de la poudre.
- Éviter le contact avec la peau. Se laver après exposition.
- Conserver dans un endroit frais et sec, à l'abri des étincelles et des flammes.
- Assurer une ventilation et un dépoussiérage adéquats.
- Reportez-vous à la FDS et aux réglementations locales pour obtenir des directives complètes.
Avec des précautions appropriées et un EPI, la poudre AlSi50 peut être manipulée en toute sécurité.
Inspection et tests de la poudre AlSi50
Pour garantir le respect des spécifications de qualité, la poudre AlSi50 doit subir :
| Paramètres | Méthode | Spécifications |
|---|---|---|
| Composition chimique | OES, XRF, chimie humide | Conformité à la teneur en Al et Si |
| Distribution de la taille des particules | Diffraction laser, tamisage | D10, D50, D90 à l'intérieur de la fourchette |
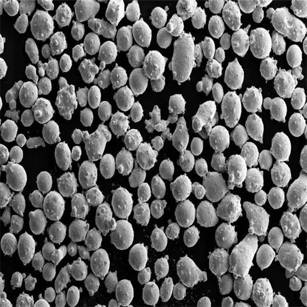
| Morphologie des poudres | Imagerie SEM | Caractéristiques de forme et d'écoulement |
| Densité apparente | Test du débitmètre à effet Hall | Densité minimale spécifiée |
| Débit | Test du débitmètre à effet Hall | Secondes maximales pour un débit de 50 g |
| Niveaux d'impuretés | Analyse ICP ou LECO | Faible teneur en oxygène et en humidité |
Les tests doivent être effectués périodiquement conformément aux normes ASTM pour garantir la cohérence de la qualité de la production et des performances dans les applications d'utilisation finale.
FAQ
Q. À quoi sert AlSi50 ?
R. L'AlSi50 est idéal pour les applications telles que les composants automobiles, les pièces aérospatiales et les substrats électroniques où une faible masse, une stabilité dimensionnelle et une fluidité élevée sont essentielles.
Q. L'AlSi50 nécessite-t-il un traitement thermique ?
A. Un traitement thermique facultatif comprenant la mise en solution et le vieillissement peut être effectué pour améliorer la résistance en précipitant les particules de silicium dans la microstructure.
Q. Quelles méthodes peuvent consolider la poudre AlSi50 ?
A. La poudre AlSi50 peut être consolidée jusqu'à atteindre sa pleine densité par moulage par injection de métal, moulage, fabrication additive via SLM/EBM, extrusion et frittage.
Q. L'AlSi50 est-il facilement soudable ?
A. AlSi50 a une soudabilité relativement faible en raison de sa teneur élevée en silicium. Un matériau d'apport et des techniques spéciaux sont nécessaires pour souder cet alliage.
Q. La poudre AlSi50 est-elle sécuritaire à manipuler ?
A. Comme toute poudre métallique fine, des précautions de sécurité standard doivent être prises lors de la manipulation de la poudre AlSi50 afin de minimiser les risques pour la santé et la sécurité.
À propos de Met3DP
Catégorie de produits
HOT SALE
CONTACTEZ-NOUS
Vous avez des questions ? Envoyez-nous un message dès maintenant ! Nous répondrons à votre demande avec toute une équipe dès réception de votre message.
Principal fournisseur de solutions de fabrication additive dont le siège est situé à Qingdao, en Chine.
PRODUIT
cONTACT INFO
- Ville de Qingdao, Shandong, Chine
- info@metal3dp.com
- amy@metal3dp.com
- +86 19116340731







